圖紙審查再升維|AI智能審查「技術說明?表格數據?尺寸標注」
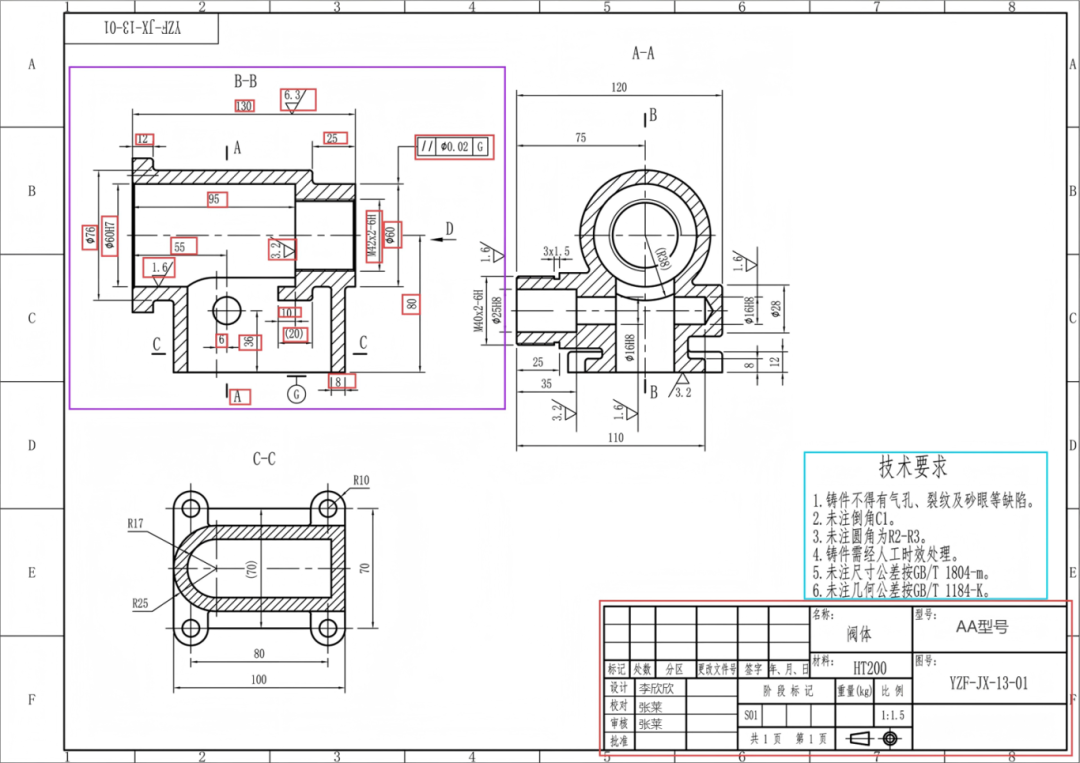
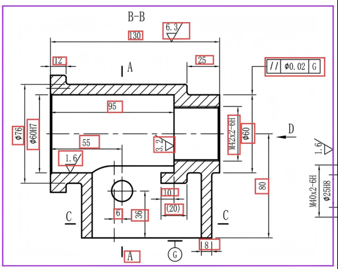
在工業設計領域,處理A1、A2等大尺寸圖紙是工程師的日常工作。面對圖紙中密集的技術說明、復雜的表格數據與精密的公差標注,人工審查不僅效率低下,還容易因視覺疲勞、經驗差異等因素導致疏漏與錯誤。 如何讓AI精準識別并破解這些痛點?金現代IDP(智能文檔處理平臺)給出了系統解決方案 —— 深度融合計算機視覺(CV)、光學字符識別(OCR)與多模態大模型技術,針對性攻克圖紙審查中的三大難題。 常規設計圖紙示意 面對圖紙中密集分布的技術說明與注釋文本,金現代IDP不僅實現 “看得全”,更達成 “讀得懂” 的核心目標: 精準定位:基于CV模型自動檢測并框選圖中所有文字區域,智能區分 “技術要求”“注釋說明” 等不同功能模塊,避免信息遺漏。 深度解析:通過專業OCR引擎高精度提取文字內容,結合自然語言處理(NLP)技術,將零散復雜的段落轉化為 “材料要求”“表面處理”“執行標準” 等結構化數據,提升信息可用性。 智能校審:將解析結果與內置的規范庫、術語庫自動比對,精準標識不合規引用、缺失條款或邏輯矛盾,從源頭筑牢文檔質量防線。 圖紙技術要求示意 圖紙中的表格結構復雜、信息密集,金現代IDP實現 “識別 — 提取 — 校驗” 全流程自動化處理。 表格識別:精準探測表格區域,清晰識別表頭與行列結構,同時支持合并單元格、跨頁表格等復雜形式的完整識別。 內容提取:通過高精度OCR技術識別每個單元格內容,輸出結構化數據。 關聯審查與邏輯校驗:系統支持理解數據間的內在關聯,執行預設規則,自動校驗 “序號連續性”“型號與規格一致性” 等項目規則,實時標記異常數據,確保表格邏輯嚴謹、數據準確。 圖紙表格示意 公差與尺寸標注是圖紙的核心信息,其審查質量高度依賴工程師的專業經驗與專注度。金現代IDP將行業專家經驗沉淀為標準化AI能力,實現審查流程的智能化升級: 元素解構:自動識別圖中的尺寸線、公差代號(如 ?、±)、基準符號等各類圖形標注元素,確保核心信息無遺漏。 關聯理解:基于多模態模型建立標注與圖形特征的語義關聯,精準解讀 “?25H7” 對應的具體孔位、“平面度 0.1” 所約束的對應平面等專業信息,實現從 “識別” 到 “理解” 的跨越。 合規與合理審查:一方面審查標注是否符合GD&T標準或機械制圖規范;另一方面基于規則庫開展邏輯審查,涵蓋尺寸鏈閉合性、公差值合理性、基準一致性等關鍵維度,有效規避加工誤差與成本浪費。 圖紙圖注示意 金現代IDP支持多場景文檔智能審查 金現代IDP目前已在能源電力、石化、建筑、汽車制造等行業落地應用,幫助企業構建規范統一、審查精準、輸出可靠的圖紙質量體系,為項目順利交付與產品高效投產提供堅實保障。
審文字,實現從“看到”到“讀懂”

審表格,保障數據準確嚴謹

審圖注,確保公差尺寸準確合規

